Nederlands
English
Winkelwagen
0
Inloggen
Inloggen
Maak account
Advies nodig?
+31(0)10-3038805
Zoeken
Menu
Menu
Home
Downloads
Service en onderhoud
Vacatures
Contact
Home
Components
ISO
Flanges Blank & Bored
ISO-F Blank Flange
ISO-F Blank Flange DN400 with Through Holes Stainless Steel 304
search
ISO-F Blank Flange DN400 with Through Holes Stainless Steel 304
Referentie:
HVC-ISOF400BF
€ 850,00
(excl. BTW)
In winkelwagen
Not on stock
Offerte aanvragen
Naam
E-mail
Telefoon
Opmerking
Offerte aanvragen
Productdetails
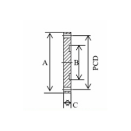
Material
SS 304
A (mm)
510
B (mm)
400
C (mm)
20
PCD (mm)
480
Bolt Holes
16
Dia / Thread
14
Type
Through Holes
Flange
DN400 ISO-F
close