Edwards Oil return kit 40/80/175/275 to MF100/300
    search
    • Edwards Oil return kit 40/80/175/275 to MF100/300

    Edwards Oil return kit 40/80/175/275 to MF100/300

    HVC-A50004000

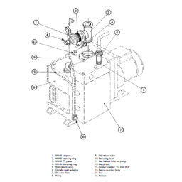
    This allows oil collected in the mist filter to be returned to the pump.  This kit allows the continued use and selection of gas ballast as well as returning oil.

    € 750,00
    (excl. BTW)
    Not on stock

    Offerte aanvragen
    Type
    Oil return kit
    For pump
    40/80/175/275
    Connect to
    MF100/MF300